汽车工程 ›› 2025, Vol. 47 ›› Issue (9): 1731-1741.doi: 10.19562/j.chinasae.qcgc.2025.09.009

• • 上一篇    

基于路面分级的悬架参数自适应状态估计

时佳伟1,陈浩1,2(),张志飞1,2,徐中明1,谭侃伦2,3,杨励2,3   

  1. 1.重庆大学机械与运载工程学院,重庆 400044
    2.智能汽车安全技术全国重点实验室,重庆 401133
    3.重庆长安汽车股份有限公司,重庆 400023
  • 收稿日期:2024-10-29 修回日期:2025-02-26 出版日期:2025-09-25 发布日期:2025-09-19
  • 通讯作者: 陈浩 E-mail:chen.h@cqu.edu.cn
  • 基金资助:
    智能汽车安全技术全国重点实验室产学研课题(Q10 230592);中央高校基本科研业务费项目(2024CDJXY012)

Adaptive Suspension Parameters-Based State Estimation Using Road Classification

Jiawei Shi1,Hao Chen1,2(),Zhifei Zhang1,2,Zhongming Xu1,Kanlun Tan2,3,Li Yang2,3   

  1. 1.School of Mechanical and Vehicle Engineering,Chongqing University,Chongqing 400044
    2.State Key Laboratory of Intelligent Vehicle Safety Technology,Chongqing 401133
    3.Chongqing Changan Automobile Co. ,Ltd. ,Chongqing 400023
  • Received:2024-10-29 Revised:2025-02-26 Online:2025-09-25 Published:2025-09-19
  • Contact: Hao Chen E-mail:chen.h@cqu.edu.cn

摘要:

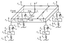
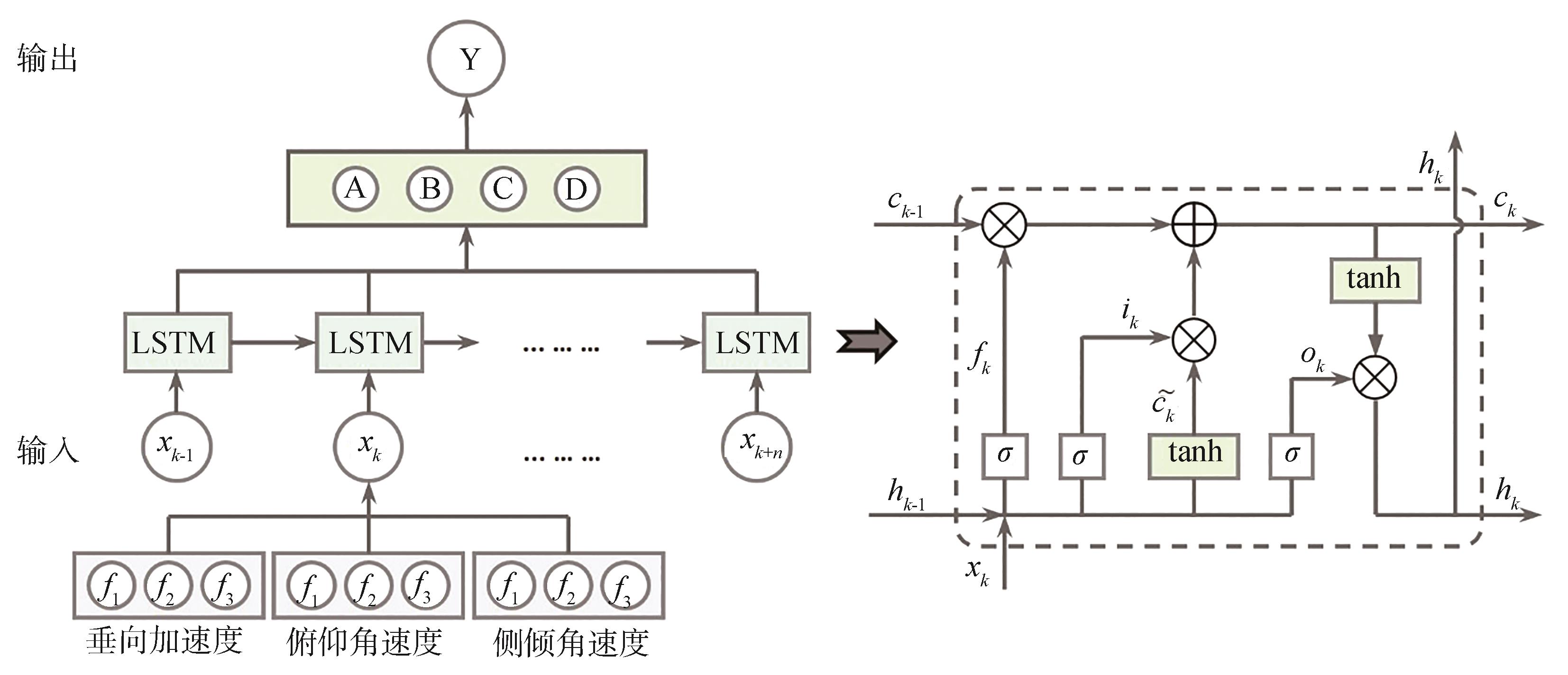
准确地获取悬架相对速度信息对于提升车辆的行驶平顺性和舒适性至关重要。路面等级识别可以为悬架状态估计及控制提供先验信息,从而提高悬架状态的估计精度。因此,本文提出基于路面分级的悬架参数自适应卡尔曼滤波算法,根据路面分级结果调整模型参数和卡尔曼滤波器的协方差矩阵,获取准确的悬架相对速度估计信息。首先,基于车身惯性测量单元信号,利用长短期记忆神经网络设计路面等级分类器。其次,构建以路面不平度为输入的7自由度整车悬架模型,通过遗传算法分别辨识不同路面等级对应的弹簧刚度和减振器阻尼系数,获得悬架参数自适应模型,进一步确定不同参数下模型的过程噪声协方差矩阵。最终,在路面等级识别结果的基础上,采用相应的悬架参数和过程噪声协方差矩阵,通过卡尔曼滤波器估计整车悬架相对速度。MATLAB-ADMAS/Car联合仿真结果表明,相比自适应卡尔曼滤波方法,所提出的方法在ISO-A、ISO-B、ISO-C、ISO-D等级路面与实测路面激励下,悬架相对速度估计的均方根误差分别优化28.4%、22.8%、19.7%、7.3%和24.1%,悬架相对速度估计的相关系数分别优化11.8%、5.8%、2.8%、1.1%和7.2%,验证了方法的有效性和可行性。

关键词: 路面分级, 悬架参数自适应, 卡尔曼滤波, 状态估计

Abstract:

Accurate acquisition of relative suspension velocity information is crucial for improving vehicle ride comfort and stability. Road classification can provide prior information for suspension state estimation and control, thereby enhancing the accuracy of suspension state estimation. Therefore, in this paper an adaptive suspension parameters-based Kalman filter algorithm is proposed based on road classification. The algorithm adjusts the characteristics parameters of the suspension model and the covariance matrix of the Kalman filter according to the road classification results, so as to obtain accurate relative suspension velocity information. Firstly, a road classification method based on a Long Short-Term Memory neural network is designed using signals from the vehicle’s Inertial Measurement Unit. Next, a 7-degree-of-freedom vehicle suspension system model is constructed with road surface roughness as the input. A genetic algorithm is employed to identify the spring stiffness and damper coefficient for different road classes, resulting in an adaptive suspension parameter model and determining the process noise covariance matrix for each class. Finally, based on the road classification results, the corresponding suspension parameters and process noise covariance matrix are applied in the Kalman Filter to estimate the vehicle's relative suspension velocity. The MATLAB-ADAMS/Car co-simulation results show that compared with the Adaptive Kalman Filter (AKF) method, the proposed method improves the root mean square error of the estimated relative suspension velocities by 28.4%, 22.8%, 19.7%, 7.3%, and 24.1% for road classes ISO-A, ISO-B, ISO-C, ISO-D, and real-road conditions, respectively. The correlation coefficients of the estimated relative suspension velocities improve by 11.8%, 5.8%, 2.8%, 1.1%, and 7.2% for the same conditions, verifying the effectiveness and feasibility of the method.

Key words: road classification, adaptive suspension parameters, Kalman filtering, state estimation